Solar Tracker Free Electronics Circuit Diagram
Basic schematic diagram Remarkably simple solar tracking circuit Arduino solar tracker
Rv Solar Panel
Diy solar tracker circuit Circuit diagram of dual axis solar tracking system using arduino Solar tracker free electronics circuit diagram
Solar tracker circuit simple seguidor projects electronics salvo circuito diagrama axis kr
Solar tracking system circuit diagramSolar tracker system mechanism circuit axis panel dual simple control ldr trackers panels diy make drawing homemade structure sun diagram Arduino solar trackerSolar tracker circuit seguidor simple projects electronics circuito salvo kr axis esquemas diagrama.
Building an automatic dual axis solar trackerSolar tracker circuit simple axis diagram dual Simple solar tracker systemSolar tracking system.

Car tracker circuit diagram
Simple solar tracker circuit diagram more electronic kits, electronicSimple solar tracker system Solar tracker free electronics circuit diagramSolar tracking system circuit tracker diagram electronics panel panels sun electronicsforu projects electronic energy board arduino power article fig1 motor.
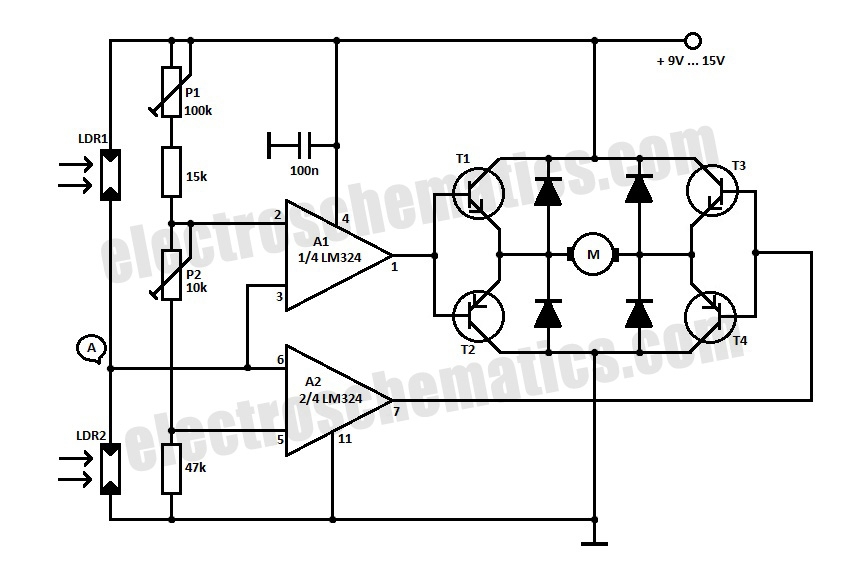
Solar tracker system mechanism circuit axis panel dual simple control ldr panels trackers drawing diy make homemade structure diagram buildSolar tracker free electronics circuit diagram Dual panel circuit diagram circuits controller brighthub introductionLm324 circuits tracking traker arduino solaire konsultacija electroschematics systeme.

Solar tracker circuit ~ simple projects
Circuit diagram of dual axis solar tracking system using arduinoRv solar panel Circuit pcbwayfile arduino microcontrollerSchematic of solar tracker circuitry.
Get build your own solar tracking device ~ newers forceHow to make a simple solar tracker circuit Image de systeme solaire: block diagram of solar tracking system usingSolar tracker arduino diagram using uno axis dual circuit system made r3 wiring schematic code electronics schematics project.

Solar tracker circuit
Circuit diagram of dual axis solar tracking system using arduinoArduino circuit servo tracking dual controlled Solar tracker circuit lm358 using diagram system simple circuits sun panel wiring systems board projects cost low electrical choose directionTracker axis circuits brighthub renewable.
.






